全国51茶楼信息网_南宁品茶桑拿论坛_广州桑拿网020论坛

语言

021-34292776

上海里库电子科技有限公司
SMP

SMP

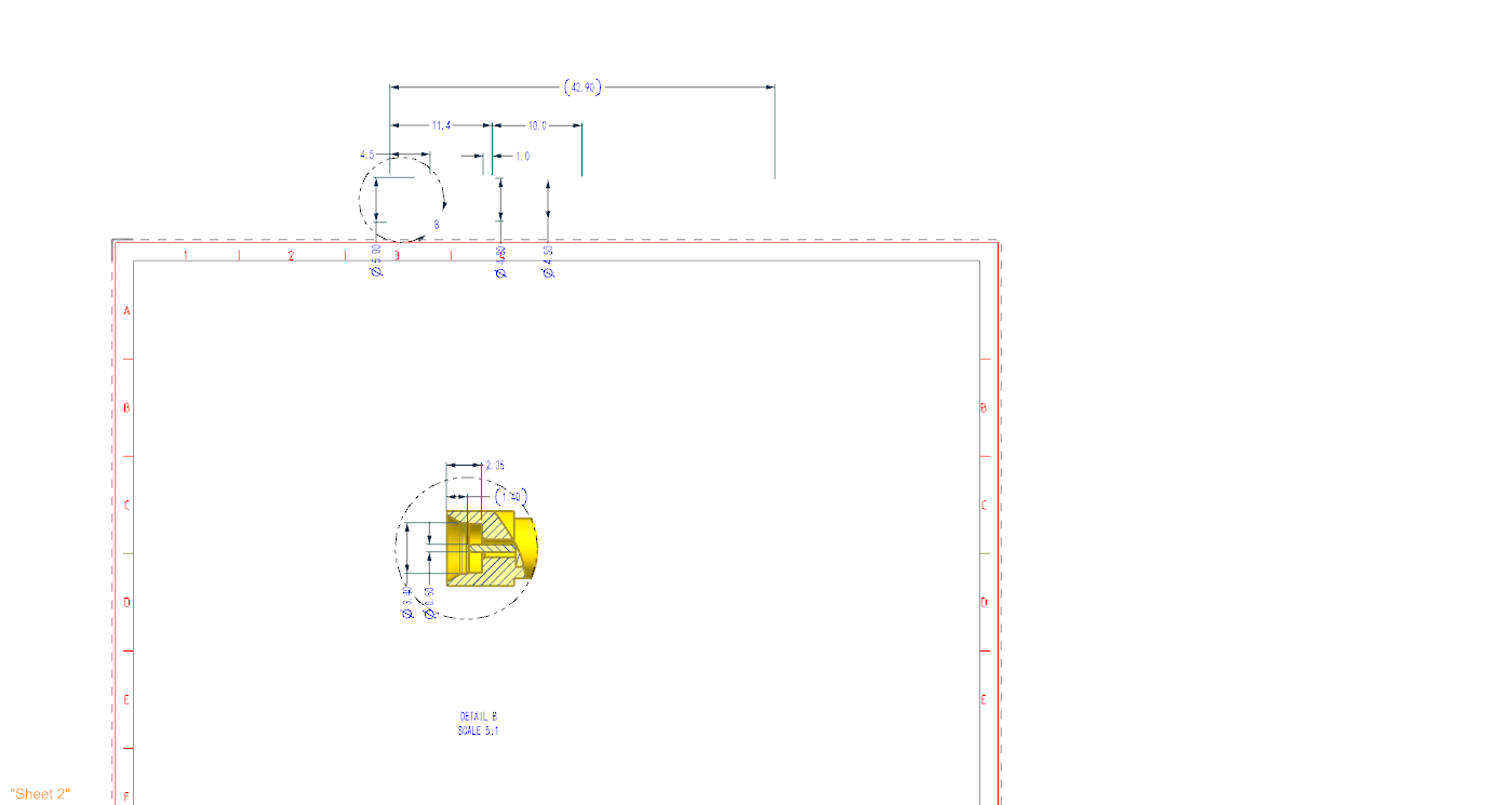
RCR-CXF33F06-02

详情介绍

产品说明
1、适用于高频连接器、高频开关及PCB板高频信号测试;

2、高频率,低驻波,信号传输精准可靠;

3、严格管控生产环节,探针品质稳定,使用寿命长;

4、提供从信号输入到信号输出一体式客制化解决方案;


技术参数

电气参数

特性阻抗

50 Ω

频率

DC TO 6GHz

驻波比

1.80max(DC-6GHz)

绝缘电阻

1000 MΩ

绝缘耐压

500 VDC

内导体参数

全行程

3.5mm

工作行程

1.5mm

弹力

100g±20%@1.5mm

针头材质

BeCu-Au plated

电流

3A

外导体参数

全行程

5.0m

工作行程

3.0mm

弹力

>500g@3.0mm

电流

10A

机械参数

被测物型号

DIA 3.3 Female Connectors

线缆组件接口

MCX Female

测试寿命

10000 Times(PIN Changeble)

工作温度

-55°C~+85°C


  • 17317892995 / 19302167534
  • sales@pfdhim.cn
  • 主站蜘蛛池模板: 渑池县| 昆明市| 张家界市| 庆阳市| 乌兰浩特市| 盱眙县| 赤水市| 杭锦旗| 宁远县| 西充县| 灵山县| 盐池县| 根河市| 布拖县| 和平县| 泗阳县| 鲜城| 凌源市| 繁峙县| 临泉县| 凯里市| 自贡市| 南华县| 恩施市| 汉源县| 曲阜市| 上高县| 葵青区| 自治县| 连山| 仙桃市| 定州市| 桂阳县| 湘潭县| 兴山县| 高台县| 新晃| 青田县| 五河县| 白水县| 泰安市|